1과목: 전자계산기 프로그래밍
1. 매크로 관련 용어 중 매크로 호출 부분에 정의된 매크로 코드를 삽입하는 것을 의미하는 것은?
2. 변수의 값이 저장된 기억장소, 위치를 확인할 수 있는 것은 변수의 어떤 구성 요소에 의해서 가능한가?
3. C 언어에서 논리 곱(AND)을 나타내는 논리 연산자는?
4. 어셈블리어에서 라이브러리에 기억된 내용을 프로시저로 정의하여 서브루틴으로 사용하는 것과 같이 사용할 수 있도록 그 내용을 현재의 프로그램 내에 포함시켜 주는 명령은?
5. 원시프로그램을 번역할 때 어셈블러에게 요구되는 동작을 지시하는 명령으로서 기계어로 번역되지 않는 명령어를 무엇이라고 하는가?
6. C 언어에서 이스케이프 시퀀스의 설명이 옳지 않은 것은?
7. 어셈블리어에서 어떤 기호적 이름에 상수 값을 할당하는 명령은?
8. C 언어의 기억 클래스(Storage Class) 종류에 해당하지 않는 것은?
9. C 언어에서 나머지를 구하는 잉여 연산자(modular operation)는?
10. 어셈블러를 두 개의 패스로 구성하는 주된 이유는?
11. 객체지향언어에 대한 설명으로 옳지 않은 것은?
12. 서브루틴으로 작성되는 프로시저는 주프로시저에서 호출되어 실행하고, 실행이 끝나면 자신을 호출한 CALL의 다음 명령으로 복귀시켜야 한다. 서브루틴에서 자신을 호출한 곳으로 복귀시키는 어셈블리어 명령은?
13. 객체지향 프로그래밍 언어가 소프트웨어 설계상 가장 크게 공헌한 점은?
14. 프로그램 수행 순서로 옳은 것은?
15. 어셈블리어의 특징으로 옳지 않은 것은?
16. C 언어의 printf() 함수에서 실수를 출력할 때 사용하는 형식지정자는?
17. 해당 내용을 각 페이지 상단에 출력토록 하는 어셈블리어 명령은?
18. 하나의 오퍼랜드에 호출할 가로채기 벡터의 번호를 표현하여 가로채기를 요청하는 어셈블리어 명령은?
19. C 언어에서 정수형 변수 선언시 사용하는 것은?
20. 작성된 표현식이 BNF의 정의에 의해 바르게 작성되었는지를 확인하기 위하여 만든 트리는?
2과목: 자료구조 및 데이터통신
21. 한 개의 프레임을 전송하고, 수신측으로부터 ACK 및 NAK 신호를 수신할 때까지 정보 전송을 중지하고 기다리는 ARQ(automatic repeat request) 방식은?
22. 다음 설명에 해당하는 LAN 토폴로지는?
23. 패킷 교환망에 접속되는 단말기 중 비패킷형 단말기(Non-Packet Mode Terminal)에서 패킷의 조립ㆍ분해 기능을 제공해 주는 일종의 어댑터는?
24. TCP 프로토콜에 대한 설명으로 틀린 것은?
25. 신호를 구성하는 주파수에 따라서 전파속도가 다르기 때문에 일어나는 전송 손상 현상은?
26. 패킷 교환에서 가상회선 방식에 비해 데이터그램 방식이 갖는 장점으로 틀린 것은?
27. HDLC(High-level Data Link Control)에서 사용되는 프레임의 종류로 옳지 않은 것은?
28. 다음 그림과 같은 전송 방식으로 옳은 것은?
29. 다음 설명에 해당하는 IP주소의 클래스로 옳은 것은?
30. OSI 7계층 중 데이터링크 계층에 대한 설명으로 틀린 것은?
31. 다음 산술식을 Pre-fix로 옳게 표현한 것은?
32. 다음 트리의 차수(Degree)는?
33. 해싱에서 서로 다른 두 개의 키 값이 같은 해시(hash) 주소를 갖는 현상을 무엇이라고 하는가?
34. 데이터베이스 설계 순서로 옳은 것은?
35. 다음 자료에 대하여 버블 정렬(bubble sort)을 이용하여 오름차순으로 정렬할 경우 "pass 1"의 실행 결과는?
36. 트랜잭션의 특성을 옳게 나열한 것은?
37. DBMS의 필수 기능으로 옳게 짝지어진 것은?
38. 데이터베이스의 특징으로 옳지 않은 것은?
39. 큐의 응용 분야로 적합한 것은?
40. 순차 파일(Sequential File)에 대한 설명으로 옳지 않은 것은?
3과목: 전자계산기구조
41. 인터프리터(interpreter)를 사용하는 언어는?
42. 가상기억장치에서 주소 공간이 1024K이고 기억공간은 32K라고 가정할 때 주기억장치의 주소레지스터는 몇 비트로 구성되는가?
43. JK 플립플롭에서 J=1, K=1일 때 Qn+1의 출력은?
44. 명령어 파이프라인이 정상적인 동작에서 벗어나게 하는 일반적인 원인이 아닌 것은?
45. 인터럽트 발생시 동작 순서로 옳은 것은?
46. 입출력 제어 처리방식에 대한 설명으로 틀린 것은?
47. 컴퓨터의 메이저 상태에 대한 설명으로 틀린 것은?
48. 다음은 ADD 명령어의 마이크로 오퍼레이션이다. t2 시간에 가장 알맞은 동작은? (단, MAR : Memory Address Register, MBR : memory Buffer Register, M(addr) : Memory, AC : 누산기)
49. 명령어를 구성하는 명령어 내 비트들의 할당에 영향을 주는 요소가 아닌 것은?
50. 양수 A와 B가 있다. 2의 보수 표현 방식을 사용하여 A-B를 수행하였을 때 최상위비트에서 캐리(carry)가 발생하였다. 이 결과로부터 A와 B에 대한 설명으로 가장 옳은 것은?
51. 다음 중 사용자의 의도적인 인터럽트에 해당되는 것은?
52. 인터럽트 서비스가 진행되면 다른 인터럽트를 배제시켜야 하는데 이 때 변경시켜야 하는 flag는 무엇이며, 어떻게 변경하여야 하는가?
53. 제어 주소 레지스터(control address register)에 적재될 수 없는 것은?
54. 프로그램 카운터가 명령어의 주소부분과 더해져서 유효번지를 결정하는 주소지정방식은?
55. 클라우드 컴퓨팅(cloud computing)에 대한 설명으로 틀린 것은?
56. 다음 불 함수를 간소화한 결과로 가장 옳은 것은? (단, d()는 무관 조건임)




" 이다.
"가 가장 적합하다.57. 고선명(HD) 비디오 데이터를 저장하기 위해 짧은 파장(405나노미터)을 갖는 레이저를 사용하는 광기록방식 저장매체는?
58. 일반적인 제어 장치 모델에서 제어 장치로 입력되는 항목이 아닌 것은?
59. 반가산기에서 입력을 X, Y라 할 때 출력 부분의 캐리(carry) 값은?
60. 수직 마이크로명령어 방식의 명령어가 다음의 형식을 갖는다면 이 제어장치는 최대 몇 개의 제어 신호를 동시에 생성할 수 있는가?
4과목: 운영체제
61. 운영체제의 운영 기법 중 "Quantum"과 관계되는 것은?
62. 프로세스의 처리 시간보다 페이지 교체에 소요되는 시간이 더 많아지는 현상을 의미하는 것은?
63. 운영체제의 역할로 거리가 먼 것은?
64. 디렉토리의 구조 중 중앙에 마스터 파일 디렉토리가 있고 하부에 사용자 파일 디렉토리가 있는 구조는?
65. 다음 설명에 해당하는 자원 보호 기법은?
66. SCAN의 무한 대기 발생 가능성을 제거한 것으로 SCAN 보다 응답시간의 편차가 적고, SCAN과 같이 진행 방향상의 요청을 서비스하지만, 진행 중에 새로이 추가된 요청은 서비스하지 않고 다음 진행시에 서비스하는 디스크 스케줄링 기법은?
67. 주기억장치 관리기법인 최악, 최초, 최적적합기법을 각각 사용할 때, 각 방법에 대하여 10K의 프로그램이 할당되는 영역을 각 기법의 순서대로 옳게 나열한 것은? (단, 영역 A, B, C, D는 모두 비어 있다고 가정한다.)(문제 복원 오류로 그림이 없습니다. 정답은 4번 입니다.)
68. 분산처리 운영체제에서 구체적인 시스템 환경을 사용자가 알 수 없도록 하며, 또한 사용자들로 하여금 이에 대한 정보가 없어도 원하는 작업을 수행할 수 있도록 지원하는 개념을 무엇이라고 하는가?
69. RR(Round Robin) 스케줄링에 대한 설명으로 옳지 않은 것은?
70. UNIX의 파일 시스템 구조와 거리가 먼 것은?
71. 다음 표와 같이 작업이 할당되었을 경우 내부단편화 및 외부단편화 크기는 얼마인가?
72. 하이퍼 큐브에서 하나의 프로세서에 연결되는 다른 프로세서의 수가 3개일 경우 필요한 총 프로세서의 수는?
73. 은행가 알고리즘(Banker's Algorithm)은 다음 교착상태 해결 방법 중 어떤 분야에 속하는가?
74. 4개의 프레임을 수용할 수 있는 주기억장치가 있으며, 초기에는 모두 비어 있다고 가정한다. 다음의 순서로 페이지 참조가 발생할 때, FIFO 페이지 교체 알고리즘을 사용할 경우 페이지 결함의 발생 횟수는?
75. 파일 디스크립터의 내용으로 옳지 않은 것은?
76. 시스템 성능 평가 요인으로 거리가 먼 것은?
77. UNIX에서 I-node는 한 파일이나 디렉토리에 관한 모든 정보를 포함하고 있는데, 이에 해당하지 않는 것은?
78. 두 개의 프로세스 간 선행순서를 Pa<Pb로 표현할 경우 Pb가 먼저 실행된다고 가정한다면, P2<P1,P4<P2, P4<P3의 선행관계가 있는 경우에 병행으로 실행될 수 있는 프로세스로 짝지어진 것은?
79. 분산 운영체제의 특징 중 다음 설명과 관계되는 것은?
80. UNIX 운영체제의 특징으로 적합하지 않은 것은?
5과목: 마이크로 전자계산기
81. 포팅을 통해 리눅스 프로그램/유틸리티를 MS윈도에서 사용할 수 있도록 하는 프로그램은?
82. 마이크로프로그램 제어 방식의 장점이 아닌 것은?
83. 입출력장치의 비동기식 제어방식에서 가장 많이 사용되는 방식은?
84. 다음 설명에 해당하는 마이크로프로세서의 제어신호는?
85. 그림은 입출력 제어장치와 입출력 버스의 연결을 나타낸 것이다. 빈 블록 ?에 알맞은 내용은?
86. 다음 입출력 방식 중 microprocessor가 I/O divice의 동작속도를 미리 알고 있어야 하는 방식은?
87. 좋은 소프트웨어가 갖는 특징으로 가장 옳지 않은 것은?
88. CPU의 상태 플래그(status flag)에 관한 설명 중 틀린 것은?
89. 프로그램 제어에 의한 전송(programmed I/O) 방식에서 중앙처리 장치와 입출력 기기 간에 주고받는 정보로서 필수적인 정보가 아닌 것은?
90. 서브루틴 호출이나 인터럽트 서비스와 같은 동작 후에 되돌아갈 주소를 저장하는 것은?
91. 보조기억장치에 저장되어 있는 정보를 주기억장치로 읽어오는 작업을 의미하는 것은?
92. 다음 중 firmware에 적합하지 않은 것은?
93. 시스템 동작 개시 후 최초로 주기억 장치에 프로그램을 로드하는 것은?
94. 마이크로프로세서(MPU)의 구성요소에 속하지 않는 것은?
95. 그림은 1bit의 기억소자를 개념적으로 그린 것이다. 각 단자 중 자료를 기억시키기 위하여 입력되는 단자는?
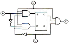
96. 다음 그림에 대한 설명 중 틀린 것은?
97. Read/Write signal이나 Chip Select signal 등의 신호는 어느 버스에 싣게 되는가?
98. 컴퓨터의 모든 행위를 감시하고, 통제하는 일련의 거대한 소프트웨어의 집합체를 무엇이라 하는가?
99. 임베디드 시스템 개발시 디버깅하기 위한 장비는?
100. 다음 중 캐스케이드(cascade) 스택의 특징으로 옳은 것은?