1과목: 데이터 베이스
1. 다음 SQL문의 실행결과를 가장 올바르게 설명한 것은?
2. Which of the following does not belong to the DDL statement of SQL?
3. Which of the following is a linear list in that elements are accessed, created and deleted in a last-in-first-out order?
4. 시스템 카탈로그에 대한 설명으로 옳지 않은 것은?
5. 릴레이션 R1에 저장된 튜플이 릴레이션 R2에 있는 튜플을 참조하려면 참조되는 튜플이 반드시 R2에 존재해야 한다는 무결성 규칙은?
6. 데이터베이스의 정의 중 다음 설명과 관계되는 것은?
7. 정규화의 필요성으로 거리가 먼 것은?
8. 해싱에서 동일한 홈 주소로 인하여 충돌이 일어난 레코드들의 집합을 의미하는 것은?
9. 트랜잭션의 연산은 데이터베이스에 모두 반영되든지 아니면 전혀 반영되지 않아야 한다는 트랜잭션의 특징은?
10. 데이터 중복으로 인해 릴레이션 조작 시 예상하지 못한 곤란한 현상이 발생한다. 이를 무엇이라고 하는가?
11. 데이터베이스의 물리적 설계 옵션 선택 시 고려 사항으로 거리가 먼 것은?
12. 순서가 A, B, C, D 로 정해진 입력 자료를 스택에 입력하였다가 출력한 결과로 가능한 것이 아닌 것은? (단, 왼쪽부터 먼저 출력된 순서이다.)
13. 다음 자료를 버블 정렬을 이용하여 오름차순으로 정렬할 경우 PASS 3의 결과는?
14. 관계 대수 및 관계 해석에 대한 설명으로 옳지 않은 것은?
15. 병행제어의 로킹(Locking) 단위에 대한 설명으로 옳지 않은 것은?
16. 개체-관계 모델의 E-R 다이어그램에서 사용되는 기호와 그 의미의 연결이 옳지 않은 것은?
17. 다음 트리를 Preorder 운행법으로 운행할 경우 다섯 번째로 탐색되는 것은?
18. 릴레이션의 특징으로 적합하지 않은 것은?
19. 데이터베이스의 특성으로 옳지 않은 것은?
20. 스키마, 도메인, 테이블을 정의할 때 사용되는 SQL 문은?
2과목: 전자 계산기 구조
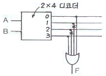
21. 다음 [그림]에서 F를 A, B의 부울식으로 나타내면? (단, 그림에서 X는 선의 절단을 표시함)




22. 전파지연(propagation delay)에 대한 설명으로 옳지 않은 것은?
23. 불 함수식 F = (A+B)·(A+C)를 간략화 한 것은?
24. 다음 회로의 명칭은?
25. 폰 노이만(von neumann)형의 컴퓨터 연산장치가 갖는 기능에 속하지 않는 것은?
26. 짝수 패리티 비트의 해밍 코드로 0011011을 받았을 때 오류가 수정된 정확한 코드는?
27. 인터럽트 처리 루틴의 순서로 올바른 것은?
28. 인터럽트 서비스 루틴의 기능이 아닌 것은?
29. 컴퓨터의 메모리 용량이 4096워드이고, 워드당 16bit의 데이터를 갖는다면 MAR은 몇 비트인가?
30. 제어장치를 구현하는 제어 방식이 아닌 것은?
31. Flynn의 컴퓨터 시스템 분류 제안 중에서 하나의 데이터 흐름이 다수의 프로세서들로 전달되며, 각 프로세서는 서로 다른 명령어를 실행하는 구조는?
32. 다중처리기에 의한 시스템을 구성할 때 고려사항이 아닌 것은?
33. 미소의 콘덴서에 전하를 충전하는 원리를 이용하는 메모리로, 재충전(Refresh)이 필요한 메모리는?
34. FETCH 메이저 상태에서 수행되는 마이크로오퍼레이션이 아닌 것은?
35. 캐시와 주기억장치로 구성된 컴퓨터에서 주기억장치의 접근 시간이 200ns, 캐시 적중률이 0.9, 평균 접근시간이 30ns일 때 캐시 메모리의 접근 시간은?
36. 메모리 관리 하드웨어(MMU)의 기본적인 역할에 대한 설명으로 옳지 않은 것은?
37. 기억장치에 기억된 정보를 액세스하기 위하여 주소를 사용하는 것이 아니라 기억된 정보의 일부분을 이용하여 원하는 정보를 찾는 것은?
38. CISC 구조와 RISC구조를 비교하였을 때, RISC 구조의 특징으로 틀린 것은?
39. 실행 사이클에서 다음 마이크로 연산이 나타내는 동작은?
40. 버스 클록(clock)이 2.5GHz이고, 데이터 버스의 폭이 8비트인 버스의 대역폭에 가장 근접한 것은?
3과목: 운영체제
41. 운영체제에 대한 설명으로 옳지 않은 것은?
42. 운영체제의 성능평가 요인 중 다음 설명에 해당하는 것은?
43. 분산 운영체제에 대한 설명으로 옳지 않은 것은?
44. 은행가 알고리즘은 다음 교착상태 관련 연구 분야 중 어떤 분야에 속하는 가?
45. UNIX의 특징으로 옳지 않은 것은?
46. 다중 처리기 운영체제 구성에서 주/종(Master/Slave) 처리기 에 대한 설명으로 옳지 않은 것은?
47. 운영체제의 목적이 아닌 것은?
48. 보안 유지 방식 중 사용자의 신원을 확인한 후 권한이 있는 사용자에게만 시스템에 접근하게 하는 방법은?
49. 메모리 관리 기법 중 Worst fit 방법을 사용할 경우 10K 크기의 프로그램 실행을 위해서는 어느 부분이 할당 되는가?
50. HRN 방식으로 스케줄링 할 경우, 입력된 작업이 다음과 같을 때 우선순위가 가장 높은 순서부터 차례로 옳게 나열한 것은?
51. 초기 헤드 위치가 50 이며 트랙 0번 방향으로 이동 중이었다. 디스크 대기 큐에 다음과 같은 순서의 액세스 요청이 대기 중일 때, SSTF 스케줄링 사용하여 모든 처리를 완료하고자 한다. 가장 먼저 처리되는 트랙은? (단, 트랙 가장 안쪽 트랙 0, 가장 바깥쪽 트랙 200)
52. UNIX 시스템에서 커널의 수행기능에 해당하지 않는 것은?
53. RR(Round Robin) 스케줄링에 대한 설명으로 옳지 않은 것은?
54. 페이징 기법과 세그먼테이션 기법에 대한 설명으로 옳지 않은 것은?
55. 파일 디스크립터(File Descriptor)에 대한 설명으로 옳지 않은 것은?
56. 프로세스 제어 블록을 갖고 있으며, 현재 실행 중이거나 곧 실행 가능하며, CPU를 할당받을 수 있는 프로그램으로 정의할 수 있는 것은?
57. UNIX에서 파일 내용을 화면에 표시하는 명령과 파일의 소유자를 변경하는 명령을 순서적으로 옳게 나열한 것은?
58. 4개의 페이지를 수용할 수 있는 주기억장치가 있으며, 초기에는 모두 비어 있다고 가정한다. 다음의 순서로 페이지 참조가 발생할 때, FIFO 페이지 교체 알고리즘을 사용할 경우 페이지 결함의 발생 횟수는?
59. 프로세서의 상호 연결 구조 중 하이퍼 큐브 구조에서 각 CPU가 3개의 연결점을 가질 경우 총 CPU의 개수는?
60. 여러 사용자들이 공유하고자 하는 파일들을 하나의 디렉토리 또는 일부 서브트리에 저장해 놓고 여러 사용자들이 이를 같이 사용할 수 있도록 지원하기 위한 가장 효율적인 디렉토리 구조는?
4과목: 소프트웨어 공학
61. 소프트웨어 개발 영역을 결정하는 요인 중 다음 사항과 관계되는 것은?
62. 검증 검사 기법 중 개발자의 장소에서 사용자가 개발자 앞에서 행하는 기법이며, 일반적으로 통제된 환경에서 사용자와 개발자가 함께 확인하면서 수행되는 검사는?
63. 사용자 인터페이스 설계 시 오류 메시지나 경고에 관한 지침으로 옳지 않은 것은?
64. 프로토타이핑의 모형에 대한 설명으로 옳지 않은 것은?
65. 소프트웨어공학에 대한 설명으로 거리가 먼 것은?
66. 바람직한 소프트웨어 설계 지침으로 볼 수 없는 것은?
67. 소프트웨어 형상관리의 대상으로 거리가 먼 것은?
68. 소프트웨어 재공학은 어떤 유지보수 측면에서 소프트웨어 위기를 해결하려고 하는 방법인가?
69. 다음 사항과 관계되는 결합도는?
70. 소프트웨어 품질 목표 중 정해진 조건 아래에서 소프트웨어 제품의 일정한 성능과 자원 소요 정도의 관계에 관한 속성으로 시간 경제성, 자원 경제성 등의 품질 기준을 갖는 것은?
71. 객체지향 분석 기법 중 다음 설명에 해당하는 것은?
72. 소프트웨어 재공학의 주요 활동 중 기존 소프트웨어 시스템을 새로운 기술 또는 하드웨어 환경에서 사용할 수 있도록 변환하는 작업을 의미 하는 것은?
73. 위험 모니터링(monitoring)의 의미로 가장 적절한 것은?
74. 소프트웨어 재사용으로 인한 효과와 거리가 먼 것은?
75. 객체 지향 기법에서 캡슐화(encapsulation)에 대한 옳은 내용 모두를 나열한 것은?
76. 객체 지향 기법에서 클래스에 속한 각각의 객체를 의미하는 것은?
77. 자료흐름도의 구성요소가 아닌 것은?
78. 블랙박스 테스트의 종류 중 프로그램의 입력 조건에 중점을 두고, 어느 하나의 입력 조건에 대하여 타당한 값과 그렇지 못한 값을 설정하여 해당 입력 자료에 맞는 결과가 출력되는 확인하는 테스트 기법은?
79. 소프트웨어 위기를 해결하기 위해 개발의 생산성이 아닌 유지보수의 생산성으로 해결하는 방법을 의미하는 것은?
80. FTR의 검토 지침으로 거리가 먼 것은?
5과목: 데이터 통신
81. 다음은 데이터 통신 시스템에서 발생하는 잡음에 대한 설명이다. 어떤 잡음에 대한 설명인가?
82. 피기백(Piggyback) 응답이란 무엇인가?
83. 자동재전송요청(ARQ)기법 중 데이터 프레임을 연속적으로 전송해 나가다가 NAK를 수신하게 되면, 오류가 발생한 프레임 이후에 전송된 모든 데이터 프레임을 재전송하는 것은?
84. 다음이 설명하고 있는 디지털 전송 신호 부호화 방식은?
85. 다음이 설명하고 있는 다중화 방식은?
86. 다음 중 A, B, C, D 문자 전송 시 수직 짝수 패리티 비트 검사에서 패리티 비트 값이 옳은 문자는?
87. HDLC 프레임 형식 중 프레임의 종류를 식별하기 위해 사용 되는 것은?
88. 점-대-점 링크뿐만 아니라 멀티 포인트 링크를 위하여 ISO에서 개발한 국제 표준 프로토콜은?
89. IP address에 대한 설명으로 틀린 것은?
90. 양자화 잡음에 대한 설명으로 맞는 것은?
91. 아날로그 데이터를 디지털신호로 변환하는 변조방식은?
92. 경로 지정 방식에서 각 노드에 도착하는 패킷을 자신을 제외한 다른 모든 것을 복사하여 전송하는 방식은?
93. 주파수 분할 방식의 특징으로 틀린 것은?
94. IPv4에서 IPv6로의 천이하는데 사용되는 IETF에 의해 고안한 천이 전략 3가지에 해당하지 않는 것은?
95. 다음이 설명하고 있는 에러 체크 방식은?
96. ARP(Address Resolution Protocol)에 대한 설명으로 틀린 것은?
97. 다중접속방식에 해당하지 않는 것은?
98. 비트 방식의 데이터링크 프로토콜이 아닌 것은?
99. 패킷교환에 대한 설명으로 틀린 것은?
100. OSI 7계층 중 응용 프로세스 간에 데이터 표현상의 차이에 상관없이 통신이 가능하도록 독립성을 제공(코드변환, 데이터 압축 등)하는 계층은?
이유는 FOREIGN KEY 제약 조건이 설정된 테이블이 있을 경우, 해당 테이블을 참조하는 다른 테이블이 있을 수 있다. 이 경우, 인사 테이블을 제거하기 위해서는 먼저 인사 테이블을 참조하는 다른 테이블들의 FOREIGN KEY 제약 조건을 삭제해야 한다. 따라서 인사 테이블을 참조하는 테이블과 함께 인사 테이블도 제거된다.