1과목: 전자계산기 프로그래밍
1. 의사연산 테이블(pseudo operation table)에 대한 설명으로 가장 적절한 것은?
2. C 언어에서 이스케이프 시퀀스의 설명이 옳지 않은 것은?
3. 주어진 BNF를 이용하여 그 대상을 근으로 하고 터미널 노드들이 검증하고자 하는 표현식과 같이 되는 트리를 무엇이라 하는가?
4. 어셈블리에서 의사 명령어 START 명령어의 기능은?
5. PLC의 장점이 아닌 것은?
6. 논리곱(AND)을 나타내는 C 언어의 연산자는?
7. 객체 지향에 관한 설명으로 옳지 않은 것은?
8. 어셈블리에서 상수에 이름을 부여하기 위해 사용하는 명령어는?
9. PLC의 기능에 대한 설명으로 옳지 않은 것은?
10. 원시프로그램을 번역할 때 어셈블러에게 요구되는 동작을 지시하는 명령으로서 기계어로 번역되지 않는 명령어를 무엇이라 하는가?
11. 한 위치의 문자열을 다른 위치의 문자열과 비교하는 어셈블리 명령어는?
12. 객체지향 설계에서 처리되는 자료형과 처리 연산을 한 묶음으로 표현함으로써 자신의 자료에 대한 연산을 외부와 단절하는 개념을 무엇이라 하는가?
13. C 언어의 기억 클래스가 아닌 것은?
14. C 언어에서 프로그램의 변수 선언을 "int c;"로 했을 경우에 "&c"는 어떤 의미인가?
15. 데이터와 이 데이터를 조작하는 연산들이 하나의 모듈 내에서 결합되도록 하는 것을 무엇이라 하는가?
16. C 언어에서 다음 함수의 선언문에 관한 설명으로 옳은 것은?
17. C 언어에서 지정된 파일로부터 한 문자씩 읽어들이는 파일처리 함수는?
18. 프로그램이 실행될 때 세그먼트 레지스터가 가지는 주소 값을 어셈블러에게 알려주는 지시어는?
19. 다음 PLC 제어 방법 중 하나인 모든 시퀸스 프로그램을 프로그램 메모리(ROM or RAM)에 격납시켜 두고 이것을 차례대로 꺼내어 CPU가 실행시키는 방법을 무엇이라 하는가?
20. C 언어의 데이터 형이 아닌 것은?
2과목: 자료구조 및 데이터통신
21. 다음 Tree의 디그리(Degree)는?
22. 직접화일에서 두개의 키값 K1 ≠ K2인데 계산된 함수의 결과가 R(K1) = R(K2)인 경우 K1과 K2를 무엇이라 하는가?
23. 패킷(packet) 교환과 관계가 없는 것은?
24. 다음은 PCM 통신시스템의 블록 다이어그램이다. 각 블록에 들어갈 기능으로 옳은 것은?
25. 두 개 이상의 개방형 시스템(OSI)의 데이터 전송을 위해 송신단과 수신단에 미리 정해둔 통신규약(약속)을 무엇이라 하는가?
26. 가상회선의 설정과 해제는 3단계로 이루어진다. 다음 중 3단계에 포함되지 않는 것은?
27. 아래 자료에서 58을 찾기 위해 이진탐색을 할 경우 비교 횟수는?
28. Internal sorting에 해당하지 않는 것은?
29. 이진 트리에서 레벨 i의 최대 노드수는? (단, i≥1)
30. 십진수 "-10"을 1의 보수로 표현하면?
31. 데이터베이스 관리 시스템의 필수 기능에 해당하지 않는 것은?
32. 송·수신간의 처리 속도 차이나 수신측 버퍼 크기의 제한에 의해 발생 가능한 정보의 손실을 방지하기 위해서 수신측이 송신측을 제어하는 기술은?
33. 다음의 tree를 postorder로 traverse한 결과는?(문제 복원 오류로 그림이 없습니다. 정답은 4번입니다. 추후 복원하여 두겠습니다.)
34. 데이터 통신망의 도입 설치 시 고려할 사항 중 가장 관련이 적은 것은?
35. 데이터 전송 속도가 9600bps인 회선 상에 한 번의 신호로 세 개의 bit를 전송할 때 신호 속도는?
36. 다음 설명에 해당되는 자료구조는?
37. 일반적으로 자료 추가시 hash function 이 필요한 파일은?
38. 데이터 통신용이나 마이크로 컴퓨터에 많이 사용되는 코드는?
39. 10BASE5 LAN에서 5가 나타내는 의미는?
40. 여러 개의 터미널 신호를 하나의 통신회선을 통해 전송할 수 있도록 하는 장치는?
3과목: 전자계산기구조
41. 어떤 computer의 메모리 용량은 1024 word이고 1 word는 16 bit로 구성되어 있다면 MAR과 MBR은 몇 bit로 구성되어 있는가?
42. 프로그램 수행 중에 인터럽트가 발생하였을 경우 인터럽트의 처리 시기는?
43. 2진수 0011에서 2의 보수(2's complement)는?
44. 명령을 수행하는 과정에서 우선적으로 이루어져야 하는 것은?
45. 메모리에 저장된 항목을 찾는데 주소를 사용하는 것이 아니라 기억된 정보의 일부분을 이용하여 원하는 정보에 접근할 수 있는 기억장치는?
46. 3-cycle 인스트럭션에 속할 수 없는 것은?
47. 0-주소 인스트럭션 형식을 사용하는 컴퓨터의 특징은?
49. 연상(associative) 기억장치의 특징이 아닌 것은?
50. 프로그래머가 어셈블리 언어(Assembly language)로 프로그램을 작성할 때 반복되는 일련의 같은 연산을 효과적으로 하기 위해 필요한 것은?
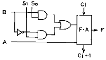
51. 중앙연산 처리장치에서 micro-operation이 순서적으로 일어나게 하려면 무엇이 필요한가?
52. 다음 회로는 무엇인가?
53. op-code의 기능이 아닌 것은?
54. 동시에 양쪽 방향으로 전송이 가능한 전송 방식은?
55. 다음 연산회로에서 S1S0=11 이고, Ci=1일 때 FA회로 출력 F는?
56. 기억 장치에서 인스트럭션을 읽어서 중앙처리장치로 가져올 때 중앙처리장치와 제어기는 어떤 상태인가?
57. 두 개의 데이터를 섞거나 일부에 삽입하는데 사용되는 연산은?
58. 가상 기억장치(virtual memory)의 가장 큰 목적은?
59. 인터럽트 요청신호 플래그를 차례로 검사하여 인터럽트의 원인을 판별하는 방식은?
60. 내부 인터럽트의 원인이 아닌 것은?
4과목: 운영체제
61. 로더(loader)의 기능이 아닌 것은?
62. 공유자원을 어느 시점에서 단지 한개의 프로세스만이 사용할 수 있도록 하며, 다른 프로세스가 공유자원에 대하여 접근하지 못하게 제어하는 기법은?
63. 버퍼링과 스풀링에 대한 설명으로 옳지 않은 것은?
64. 운영체제를 기능상으로 분류했을 때, 제어 프로그램 중 보기의 설명에 해당하는 것은?
65. 파일 구성 방식 중 ISAM(Indexed Sequential Access - Method)의 물리적인 색인 구성은 디스크의 물리적 특성에 따라 색인(index)을 구성하는데, 다음 중 3단계 색인에 해당되지 않는 것은?
66. 스케줄링의 목적으로 거리가 먼 것은?
67. 페이지 오류율(page fault ratio)과 스래싱(thrashing)에 대한 설명으로 옳은 것은?
68. 디스크 스케줄링에서 SSTF(Shortest Seek Time First)에 대한 설명으로 옳지 않은 것은?
69. UNIX 시스템에서 커널에 대한 설명으로 옳지 않은 것은?
70. 비선점(Non-Preemptive) 스케줄링에 해당하지 않는 것은?
71. PCB(process control block)에 포함되는 정보가 아닌 것은?
72. 다음 설명과 가장 밀접한 분산운영체제의 구조는?
73. UNIX 파일 시스템의 inode에서 관리하는 정보가 아닌 것은?
74. 효율적인 주기억장치의 접근을 위하여 기억장소의 연속된 위치를 서로 다른 뱅크로 구성하여 하나의 주소를 통하여 여러 개의 위치에 해당하는 기억 장소를 접근할 수 있도록 하는 방법은?
75. 실행 중인 프로세스가 일정 시간 동안에 참조하는 페이지의 집합을 의미하는 것은?
76. UNIX에서 프로세스를 생성하는 시스템 호출문은?
77. 운영체제에 대한 설명으로 옳지 않은 것은?
78. 시간 구역성(locality)과 관련이 적은 것은?
79. 페이지 기법에 대한 설명으로 옳지 않은 것은?
80. 분산시스템에 대한 설명으로 거리가 먼 것은?
5과목: 마이크로 전자계산기
81. 입·출력 양쪽으로 쓸 수 없는 장치는?
82. 컴퓨터의 PRU는 4가지 단계를 반복적으로 거치면서 동작한다. 다음 중 속하지 않는 단계는?
83. 명령어의 fetch 사이클 단계에서 인터럽트 요청이 있을 경우, 전자계산기는 어떤 방법으로 요청된 인터럽트를 처리하는가?
84. 50개의 입·출력 외부 장치를 주소지정 하려고 한다. 몇 개의 어드레스 선이 필요로 하는가?
85. 그림과 같은 어느 프로그램 중 0123 번지에 CALL A 명령이 있다. 이 CALL A를 수행한 후 PC에 기억된 값은? (단, 모든 명령문은 1 바이트라 하자)
86. 저속 장치에 연결되며, 다수의 입·출력장치를 동시에 운영할 수 있는 채널은?
87. 누산기(accumulator)를 clear 하고자 할 때 사용하면 효과적인 명령어는?
88. 마이크로프로세서가 어떤 명령을 수행하기 위해서 제일 먼저 하는 동작은?
89. 8비트 데이터 버스와 16비트 번지 버스를 가진 마이크로 전자계산기의 최대 기억용량은?
90. 제어 데이터(control data)를 기억시키기에 적당한 기억 장치는?
91. 한번에 하나의 워드만을 전송하는 DMA 방식은?
92. 스택 메모리의 데이터 입·출력 과정의 표현에 적합한 것은?
93. 누산기가 꼭 필요한 명령 형식은?
94. 입·출력 인터페이스(I/O interface) 구성에 꼭 필요한 부분이라고 볼 수 없는 것은?
95. 로더(loader)의 기능에 해당하지 않는 것은?
96. DRAM의 설명 중 가장 옳지 않은 것은?
97. 번역어(translator)에 속하지 않는 것은?
98. 기억용량이 2Kbyte인 PROM의 경우 최소한 몇개의 address line이 필요한가?
99. Assembler를 옳게 설명한 것은?
100. 중앙처리장치의 하드웨어(hardware) 요소들을 기능별로 나눌 때 속하지 않는 기능은?